
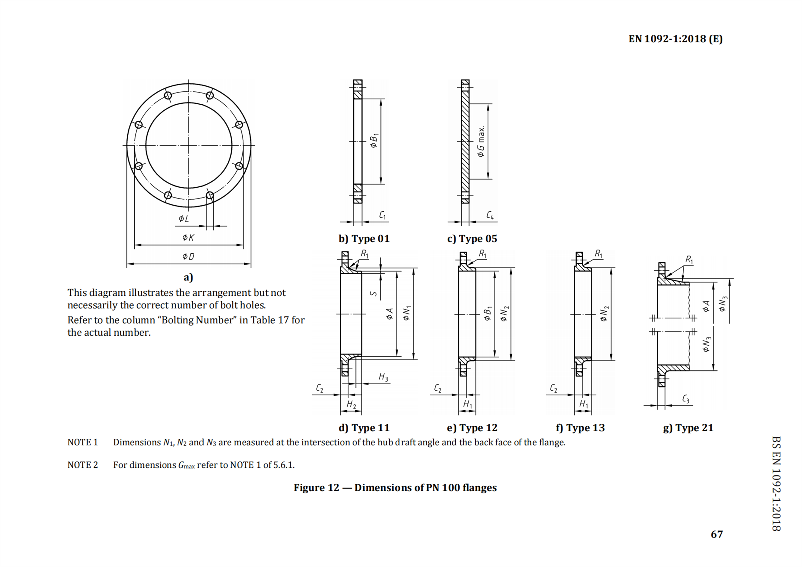
DIN EN 1092-1 PN 100 플랜지의 치수
DIN EN 1092-1 PN 100 플랜지는 최대 허용 압력이 PN 100(100bar 또는 약 1450psi)을 초과하지 않는 고압 배관 시스템에 사용하도록 설계된 표준화된 플랜지 세트입니다. 이 플랜지는 DIN EN 1092-1 표준을 준수하며 극심한 압력 조건이 발생하는 산업에서 일반적으로 사용됩니다. DIN EN 1092-1 PN 100 플랜지의 몇 가지 주요 측면은 다음과 같습니다.
유형:PN 100 플랜지는 용접 넥, 슬립온, 나사형, 블라인드 및 소켓 용접 플랜지를 포함하여 다양한 용도에 맞게 다양한 유형으로 제공됩니다.
치수:PN 100 플랜지의 치수는 DIN EN 1092-1 표준에 따라 표준화되었습니다. 여기에는 외경, 보어 직경, 볼트 구멍 크기, 볼트 원 직경, 두께 및 허브 직경에 대한 사양이 포함됩니다.


크기:PN 100 플랜지는 다양한 파이프 직경을 수용할 수 있도록 다양한 크기로 제조됩니다. 일반적인 크기는 일반적으로 특정 요구 사항 및 제조업체 기능에 따라 DN 10에서 DN 2000 이상입니다.
재료:PN 100 플랜지는 고압 응용 분야에 적합한 다양한 재료로 제작할 수 있습니다. 일반적인 재료에는 탄소강, 스테인레스강, 합금강 및 기타 고강도 재료가 포함됩니다.
신청:PN 100 플랜지는 초고압 배관 시스템이 필요한 산업 및 응용 분야에 사용됩니다. 이러한 응용 분야에는 석유 및 가스 추출, 화학 처리, 석유화학 플랜트, 발전 및 고압 산업용 배관 시스템이 포함됩니다.
전반적으로 DIN EN 1092-1 PN 100 플랜지는 극압 배관 시스템의 파이프와 구성요소를 연결하기 위한 안정적이고 표준화된 솔루션을 제공하여 호환성, 상호 교환성 및 산업 표준 준수를 보장합니다.
인기 탭: DIN EN 1092-1 pn 100 플랜지 치수, 중국 DIN EN 1092-1 pn 100 플랜지 제조업체, 공급업체 치수
당신은 또한 좋아할지도 모릅니다
문의 보내기










